Mechanical Information
Height Profile
The figure below illustrates the height profile of the 2x QSFP28 FMC.

The QSFP28 cages are supplied with removable heat sinks attached. With the heat sinks in place, the total height of the cages exceeds the standard 10mm gap between the FMC card and the development board. This does not cause an issue with most AMD development boards, as their FMC connectors are positioned so that the mezzanine card overhangs the edge of the board, leaving plenty of room for the heat sinks. However, if using this mezzanine card with development boards that extend far enough to touch the heat sink, the heat sink must be removed to avoid mechanical interference and to ensure proper mating of the FMC connectors. If the heat sinks are removed, the user must ensure that adequate thermal management is provided by other means.
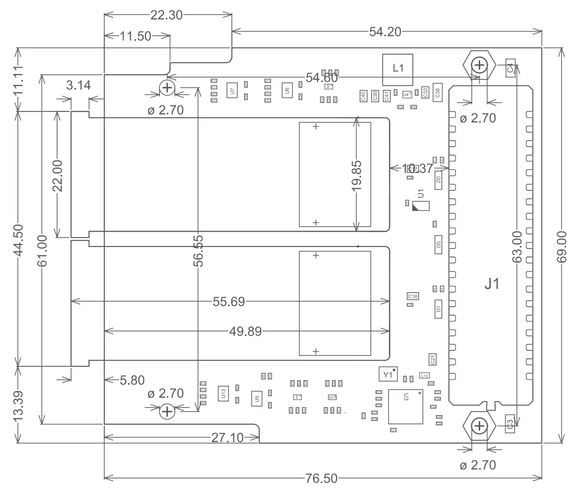
Dimensions
The mechanical dimensions of the 2x QSFP28 FMC are illustrated in the figure below. All dimensions are in millimeters (mm).

The assembly drawings are also available as PDF files that you can download at the provided links.
The 3D Model
The 3D model of the board is available as a STEP file at the links below:
Mezzanine fastening hardware
For mechanical fastening of the mezzanine card to the carrier board, the 2x QSFP28 FMC comes with 2x hex standoffs. We highly recommend using the machine screws on each of these standoffs to fix the mezzanine card to the carrier board. If the fastening screws are misplaced, they can be replaced by the ones listed below, or equivalents.
The hex standoff and machine screw part numbers are listed below:
Hex standoff, Thread M2.5 x 0.45, Brass, Board-to-board length 10mm Part number: V6516C Manufacturer: Assmann
Machine screw, Thread M2.5 x 0.45, Length (below head) 4mm, Stainless steel, Phillips head Part number: 90116A105 Supplier: McMaster-Carr