Mechanical Information
Height Profile
The figure below illustrates the height profile of the Ethernet FMC Max. All of the components on the Ethernet FMC Max fit within the 10mm gap between the FMC card and the development board.

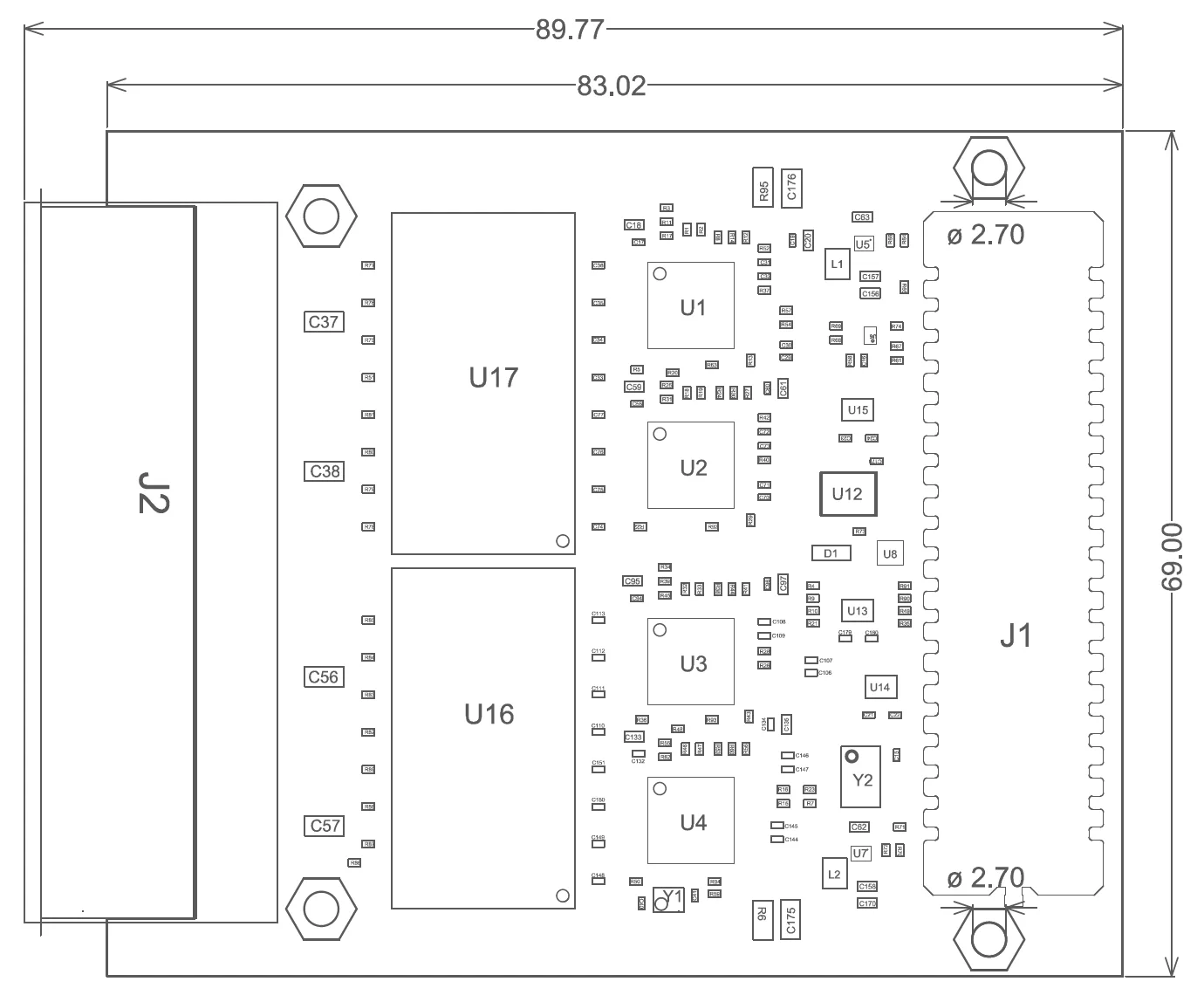
Dimensions
The mechanical dimensions of the Ethernet FMC Max are illustrated in the figure below. All dimensions are in millimeters (mm).
The assembly drawings are also available as PDF files that you can download at the provided links.

The 3D Model
The 3D model of the board is available as a STEP file at the links below:
Mezzanine fastening hardware
For mechanical fastening of the mezzanine card to the carrier board, the Ethernet FMC Max comes with 2x hex standoffs. We highly recommend using the machine screws on each of these standoffs to fix the mezzanine card to the carrier board. If the fastening screws are misplaced, they can be replaced by the ones listed below, or equivalents.
The hex standoff and machine screw part numbers are listed below:
Hex standoff, Thread M2.5 x 0.45, Brass, Board-to-board length 10mm Part number: V6516C Manufacturer: Assmann
Machine screw, Thread M2.5 x 0.45, Length (below head) 4mm, Stainless steel, Phillips head Part number: 90116A105 Supplier: McMaster-Carr