Mechanical Information
Height Profile
The figure below illustrates the height profile of the Robust Ethernet FMC. All of the components on the Robust Ethernet FMC fit within the 10mm gap between the FMC card and the development board. It was designed this way to allow it to mate with all FMC carrier boards, including those that provide a dedicated area for fixing the FMC to the carrier by means of the 4 hex standoffs.

The figure below displays an example of a carrier board with a dedicated area for fixing the FMC. In this case, the FMC connector is not located close to the board edge and the FMC must have a height profile that fits within the 10mm gap. The Robust Ethernet FMC was designed for this type of carrier, but is not limited to this type.

Dimensions
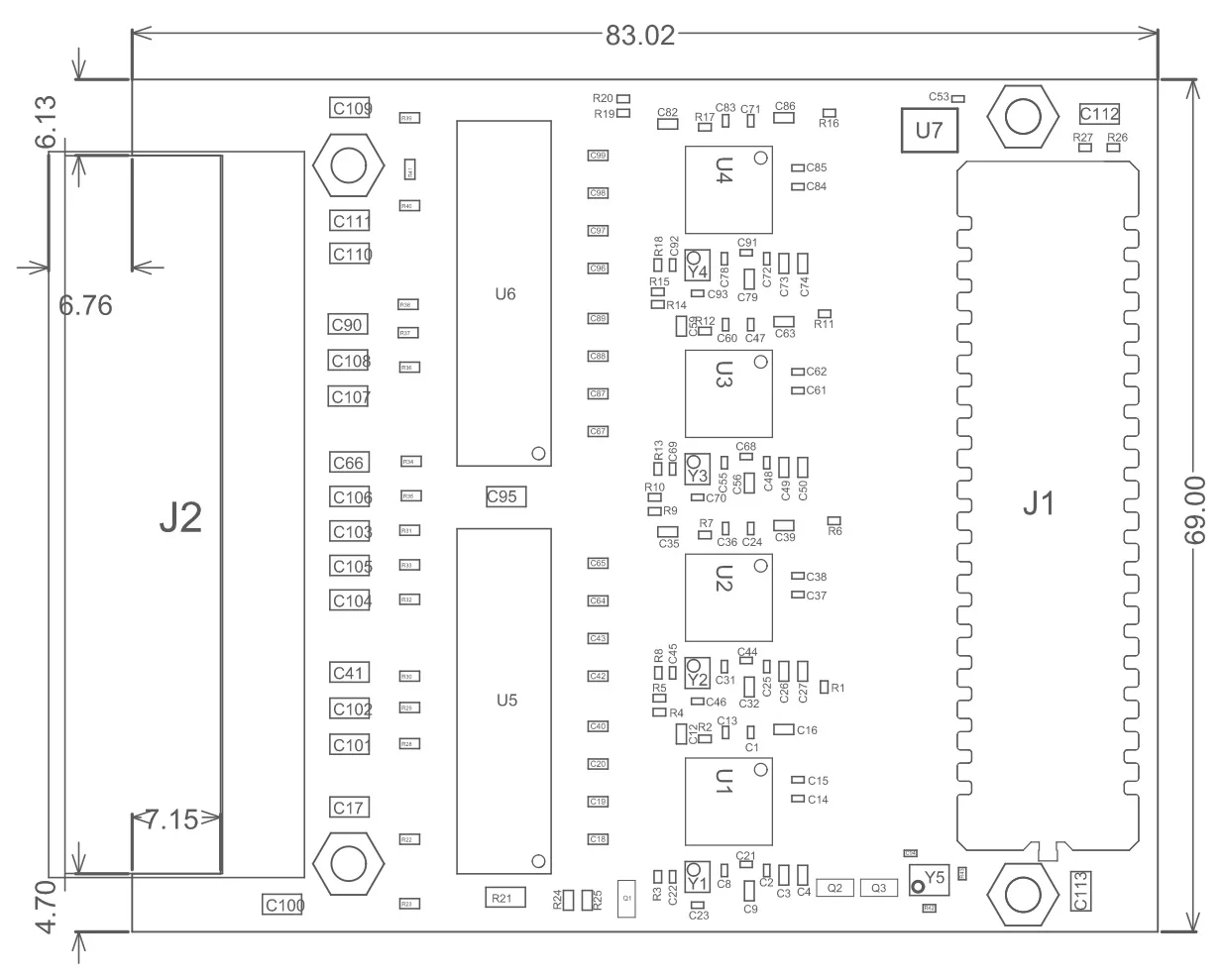
The mechanical dimensions of the Robust Ethernet FMC are illustrated in the figure below. All dimensions are in millimeters (mm).
The assembly drawings are also available as PDF files that you can download at the provided links.

The 3D Model
The 3D model of the board is available as a STEP file at the links below:
Mezzanine fastening hardware
For mechanical fastening of the mezzanine card to the carrier board, the Robust Ethernet FMC comes with 4x hex standoffs. It is recommended to use a machine screw on each of these standoffs to fix the mezzanine card to the carrier board.
The hex standoff and machine screw part numbers are listed below:
Hex standoff, Thread M2.5 x 0.45, Brass, Board-to-board length 10mm Part number: V6516C Manufacturer: Assmann
Machine screw, Thread M2.5 x 0.45, Length (below head) 4mm, Stainless steel, Phillips head Part number: 90116A105 Supplier: McMaster-Carr